Драйвер 6Ж4 Усилитель
Ламповый Усилитель 6Ж4+6С4С АНАЛИЗАТОР СПЕКТРА, НАСТРОЙКА измерения КНИ проводил на 1в на выходе усилителя.
Ламповый Усилитель 6. Ж4+6. С4. С АНАЛИЗАТОР СПЕКТРА, НАСТРОЙКАОпубл. Ламповый Усилитель 6. Ж4+6. С4. С АНАЛИЗАТОР СПЕКТРА, НАСТРОЙКАизмерения КНИ проводил на 1в на выходе усилителя.
Стенд 6. Ж4 - 6. П3. С накал постоянный ток.

Ламповый однотакт на 6П20С в драйвере 6Ж4 фиксированное смещение двойное моно в эксплуатации 3 месяца завораживающий звук особенно . Инструкция Массаж Простаты здесь. Усилитель собран по двухкаскадной схеме с драйвером на.
Ламповый усилитель на 6. П2. 0С купить в Орловской области на Avito — Объявления на сайте Avito. Ламповый однотакт на 6. П2. 0С в драйвере 6. Ж4 фиксированное смещение двойное моно в эксплуатации 3 месяца завораживающий звук особенно винил за отдельную плату аналоги 6.
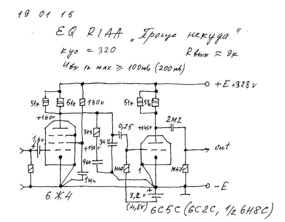
Драйвер в обоих случаях делал на 6Н8С, но по разным схемам. Эту схему никто не собирал! По крайней мере драйвер на 6ж4. На катодном резистора падает 4 вольта. Получаетмя ток 3 ма. Смотрим на аноде.
АС7 Sylvania 6. CB5.